chevron_left
Menu
Turck
search
Laddar
add_shopping_cart
chevron_left
Menu
Hem
Produkter
person
Logga in
add_shopping_cart
REI-04Q6C-2H2500-H1181 | TURCK - Your Global Automation Partner
Incremental Encoder
REI-04Q6C-2H2500-H1181
Order ID nr. 100011155
home
Home
Loading...
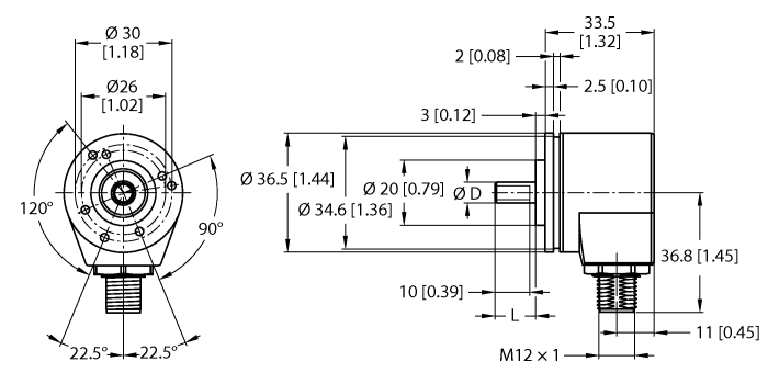
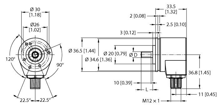
Tekniska data
Protection class
IP65
Output function
Push-Pull/HTL
Electrical connection
Connector
Connector type
M12 × 1
Housing material
Aluminum chromated
Ambient temperature min. (°C)
-20
Ambient temperature max. (°C)
85
Measuring principle
Optical
Output type
Incremental
Shaft Type
Solid shaft
Shaft diameter D (mm)
6
Flange diameter (mm)
36.5
Flange type
Clamping flange
Resolution incremental (ppr)
2500
Nyckelfunktioner
Output type
Incremental
Flange diameter (mm)
36.5
Shaft diameter D (mm)
6
Shaft Type
Solid shaft
I lager
Prisgrupp
F3
Listpris
2 913,00 kr
home
Turck-Shop
Sensors
Encoders
REI-04Q6C-2H2500-H1181
Totalt för artikeln
2 913,00 kr
Kvantitet
−
+
add_shopping_cart
Lägg i kundvagn
Begär offert