chevron_left
Menu
Turck
search
Laddar
add_shopping_cart
chevron_left
Menu
Hem
Produkter
person
Logga in
add_shopping_cart
SI-HGZ63FQDRR | TURCK - Your Global Automation Partner
arrow_back_ios
arrow_forward_ios
Safety Technology
SI-HGZ63FQDRR
Order ID nr. 3025584
home
Home
Loading...
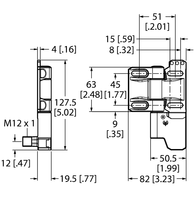
Tekniska data
Protection class
IP67
Switching element function
2 x NC contact
Output function
Potential-free
Design
Rectangular
Electrical connection
Connector
Connector type
M12 × 1
Housing material
Metal
Housing quality
Zinc Alloy Die-Cast
Ambient temperature min. (°C)
-25
Ambient temperature max. (°C)
70
Function
Hinge safety switch
Cascadable
No
Coding level/tamper protection
Uncoded
Nyckelfunktioner
Cascadable
No
Electrical connection
Connector
Output function
Potential-free
I lager
Prisgrupp
D1
Listpris
2 414,00 kr
home
Turck-Shop
Machine Safety
Safety Switches
SI-HGZ63FQDRR
Totalt för artikeln
2 414,00 kr
Kvantitet
−
+
add_shopping_cart
Lägg i kundvagn
Begär offert