chevron_left
Menu
Turck
search
Laddar
add_shopping_cart
chevron_left
Menu
Hem
Produkter
person
Logga in
add_shopping_cart
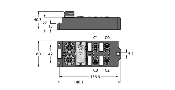
FDNQ-S0404G-MM | TURCK - Your Global Automation Partner
I/O Module for DeviceNet Fieldbus
FDNQ-S0404G-MM
Order ID nr. F0156
home
Home
Loading...
Tekniska data
Protection class
IP67
Network protocol
DeviceNet
Ambient temperature min. (°C)
-40
Ambient temperature max. (°C)
70
Operating voltage
DC
Nyckelfunktioner
Network protocol
DeviceNet
Protection class
IP67
I lager
Prisgrupp
D1
Listpris
6 628,00 kr
Totalt för artikeln
6 628,00 kr
Kvantitet
−
+
add_shopping_cart
Lägg i kundvagn
home
Turck-Shop
Fieldbus Technology
I/O Modules
FDNQ-S0404G-MM
Begär offert