chevron_left
Menu
Turck
search
Laddar
add_shopping_cart
Hem
Produkter
person
Logga in
IAR.753SMTA | TURCK - Your Global Automation Partner
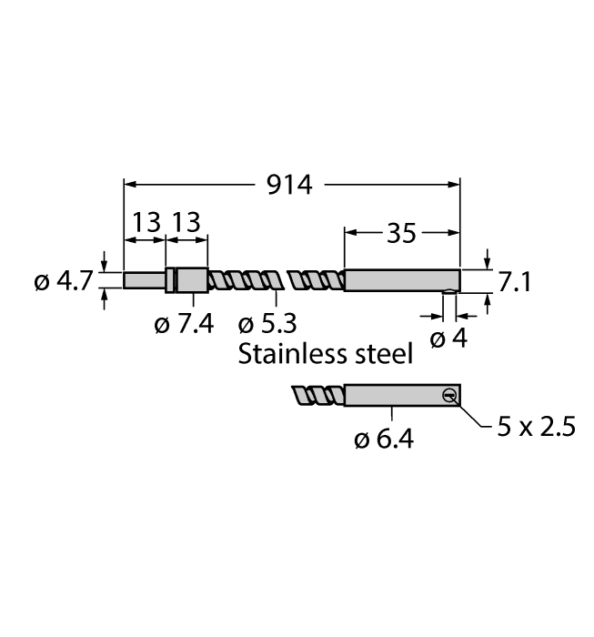
Glass Fiber
IAR.753SMTA
Order ID nr. 3021355
home
Home
Loading...
Tekniska data
Function accessories for
Photoelectric sensors
Housing material
Stainless steel
Ambient temperature min. (°C)
-140
Ambient temperature max. (°C)
249
Function
Opposed mode sensor (emitter/receiver)
Accessory type
Glass fiber
Nyckelfunktioner
Accessory type
Glass fiber
Housing material
Stainless steel
I lager
Varugrupp
F3
Listpris
2 180,00 kr
home
Turck-Shop
Sensors
Accessories
IAR.753SMTA
Totalt för artikeln
2 180,00 kr
Kvantitet
−
+
add_shopping_cart
Lägg i kundvagn
Begär offert