chevron_left
Menu
Turck
search
Loading
add_shopping_cart
Home
Products
person
Login
arrow_back_ios
arrow_forward_ios
Accessories
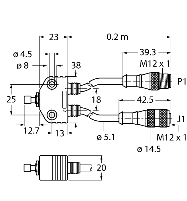
VB2-SP1
Order ID no. A3501-29
In Stock
Group
E1
List Price
SEK 644.00
Item Total
SEK 644.00
Quantity
−
+
add_shopping_cart
Add to Cart
Contact Support
home
Home
Loading...
Technical Data
Protection class
IP40
Cable length (m)
0.2
Application
Signal
Connector A
, M12 × 1
Cable color
Gray
Electrical connection
Connector
Connector type
M12 × 1
Housing material
Plastic
Accessory type
Teach adapter
Key Features
Accessory type
Teach adapter
Housing material
Plastic
Protection class
IP40
home
Turck-Shop
Sensors
Accessories
VB2-SP1